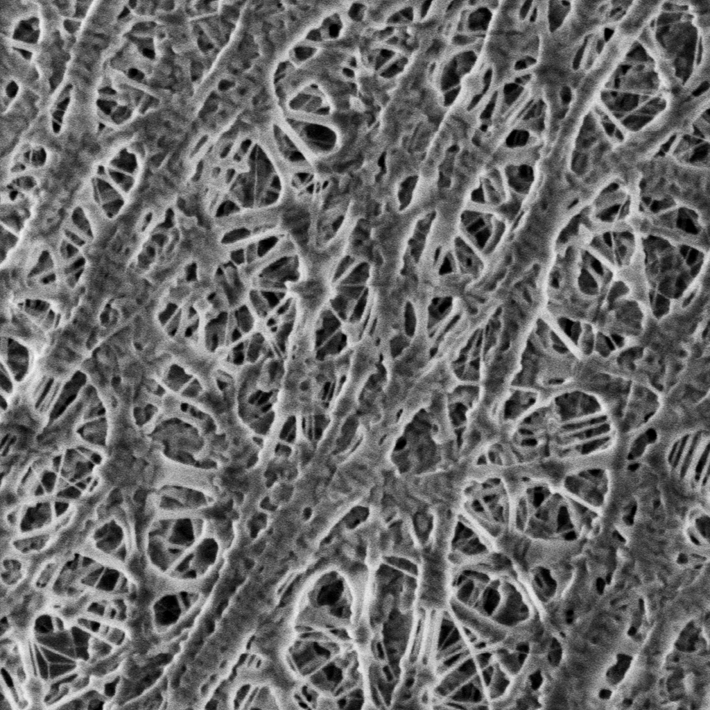
Tescan CLARA™
A precision SEM platform designed for low voltage operation and exceptional surface contrast.
-
Performs at low voltages to preserve beam-sensitive materials
-
Delivers clear imaging of uncoated polymers and composites
-
Ideal for porous membranes, fibrous films, and soft nanostructures






