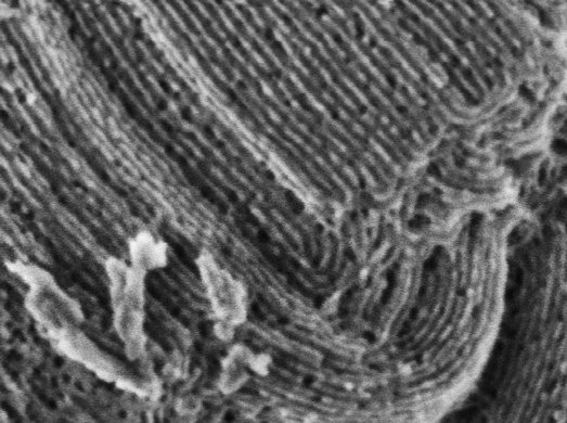
Understanding material interfaces is critical in additive manufacturing, where mechanical properties depend on the bonding between dissimilar metals. High-resolution SEM analysis of the Cu7Ni2SiCr and Fe interface reveals grain alignment, microcracks, and diffusion zones that govern structural integrity.
- Visualize microstructural gradients at multi-material boundaries
- Detect defects and weak bonding zones at the interface
- Correlate interface quality with mechanical performance
