Tescan MIRA XR™
A versatile UHR-SEM system for beam-sensitive samples.
-
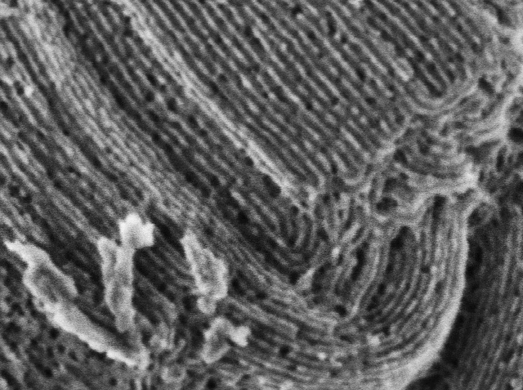
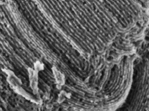
Reveal fine surface details with BrightBeam™ electron optics and efficient signal collection
-
Preserve delicate or uncoated samples through low-voltage imaging
-
Achieve sub-nanometer resolution with optimized in-column detection for nanoscale surface information





