WEBINAR | Correlated Microanalytical Workflows for Particle Analysis Using Automated Mineralogy, FIB-SEM and SIMS

Tescan CLARA for Materials Science

CLARA
CLARA

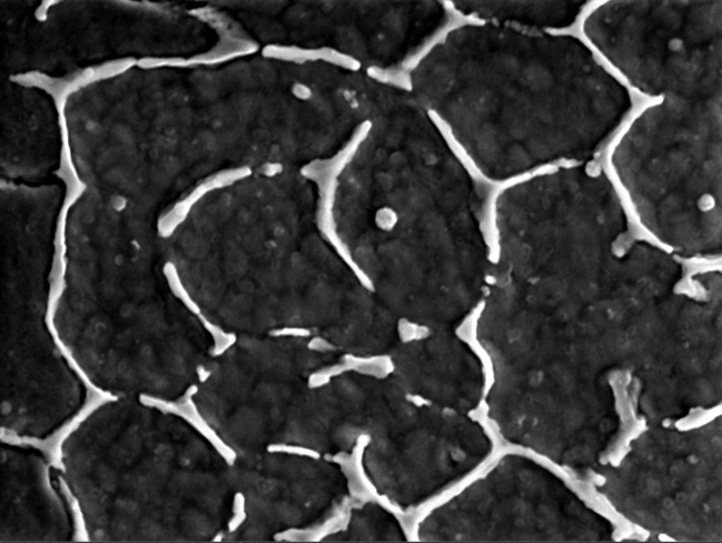
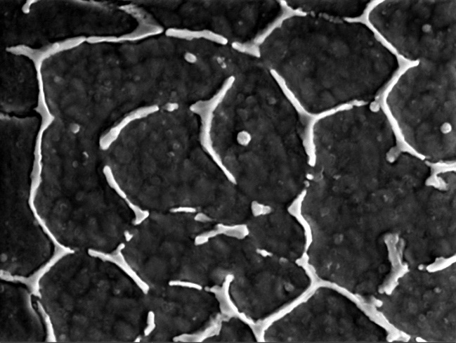
Tescan CLARA for materials science provides the widest selection of contrast methods for advanced surface characterization. It reveals fine details and hidden features across all material types, including nanomaterials, metals, and energy storage components.

  • Selective BSE imaging based on take-off angle and energy filtering for precise surface contrast

  • Clear and reproducible results even on complex or beam-sensitive samples

  • Minimal alignment or preparation — start imaging faster with reliable consistency

  • Accurate nanoscale insights that help you understand surface structure and composition with confidence

WHERE Tescan CLARA™ MAKES THE DIFFERENCE

Field-free ultra-high-resolution imaging

BrightBeam™ delivers ultra-high resolution at low keV, while beam deceleration further improves resolution and signal quality 

Comprehensive contrast selection

Axial and MD In-Column detectors provide angular and energy-filtered contrasts, revealing hidden structures on complex surfaces. 

Fast, reproducible results

In-Flight Beam Tracing® and automated alignments enable users to optimize imaging and analysis quickly and consistently.

Seamless navigation

Wide Field Optics® allows distortion-free navigation from 1× overview down to nanoscale features.

All-in-one analysis

A large chamber accommodates EBSD, EDS, Raman, and in-situ accessories for chemical, structural, and mechanical studies in a single tool.

Automation-ready workflows

VisualCoder and FIB-SEM Expert PI provide both scripted and no-code automation options for routine tasks and custom experiments.

Tescan ESSENCE™

UNIFIED CONTROL FOR IMAGING AND ANALYSIS

Essence™ is the central control environment for CLARA, integrating imaging, navigation, and analysis tools.

  • Customizable multi-user interface with task-focused layouts

  • Live 3D collision model for safe stage movements

  • Automated beam alignment and autofocus routines

  • Integrated workflows for imaging and analytical techniques

Unlocked content

Unlock 
tescan insight

leave a contact to access

Get the most out of Tescan

This is more than information; it's an advantage. We've compiled our technical whitepapers, detailed product flyers, and on-demand webinars to provide you with the knowledge that makes a real difference. Sign up now to access the insights you need to make an impact.

TESCAN CLARA™ for Materials Science

Technical specification
Electronoptics & imaging

BrightBeam™ FE-SEM column with beam deceleration

Axial and MD In-Column detectors

Resolution: 0.8 nm @ 30 keV (STEM), 0.9 nm @ 15 keV, 1.3 nm @ 1 keV, 1.2 nm with beam deceleration, 1.5 nm @ 500 eV

Magnification: 1× to 2,000,000×

High-speed beam blanker

Vacuum system

High vacuum mode

MultiVac™ low vacuum mode including N2 and H2O up to 500 Pa

Automated aperture insertion

Stage & chamber

5-axis motorized stage

Max sample size: 335 × 280 × 133 mm

Max load: up to 8 kg

20 chamber ports for detector integration

Navigation & protection

Wide Field Optics® (navigation from 1×)

Essence™ 3D Collision Model

Software & automation

Tescan Essence™ interface with multi-user support

Automated beam alignment and In-FlightBeam Tracing®

VisualCoder™ no-code automation*

FIB-SEM Expert PI Python interface*

Raman, tensile, and heating stage integration*

*Optional features are available

Electronoptics & imaging

BrightBeam™ FE-SEM column with beam deceleration

Axial and MD In-Column detectors

Resolution: 0.8 nm @ 30 keV (STEM), 0.9 nm @ 15 keV, 1.3 nm @ 1 keV, 1.2 nm with beam deceleration, 1.5 nm @ 500 eV

Magnification: 1× to 2,000,000×

High-speed beam blanker

Vacuum system

High vacuum mode

MultiVac™ low vacuum mode including N2 and H2O up to 500 Pa

Automated aperture insertion

Stage & chamber

5-axis motorized stage

Max sample size: 335 × 280 × 133 mm

Max load: up to 8 kg

20 chamber ports for detector integration

Navigation & protection

Wide Field Optics® (navigation from 1×)

Essence™ 3D Collision Model

Software & automation

Tescan Essence™ interface with multi-user support

Automated beam alignment and In-FlightBeam Tracing®

VisualCoder™ no-code automation*

FIB-SEM Expert PI Python interface*

Raman, tensile, and heating stage integration*

*Optional features are available

CLARA GM Mat. Science

GET IN Touch

with specialist

map

Where can you find us:

Tescan
Libušina třída 21
623 00 Brno
Czech Republic

130405923 us US 37.09024 -95.712891 25.3575 29.349345 20.67957527 42.082797 39.91384763 -33.693421 13.93320106 3.039986586 31.997988 38.050985 47.579533 30.052597 48.1485965 58.375799 54.663142 19.195447 56.975106 47.916997 50.493053 45.868592 10.79556993 44.35660598 43.2371604 55.536415 14.557577179752773 32.100937 -6.116829 -6.212299277967318 33.600194 -12.08688 23.7104 -33.471062 31.998740087 -23.69149395 43.462349 51.529848 49.1893523 49.197486 25.072375 31.075811 1.299027 40.676979 52.30150662 51.013813 35.684121 37.566531 52.246622 40.581349 39.911632 -26.1811371 41.818215 33.429928

No distributors found.