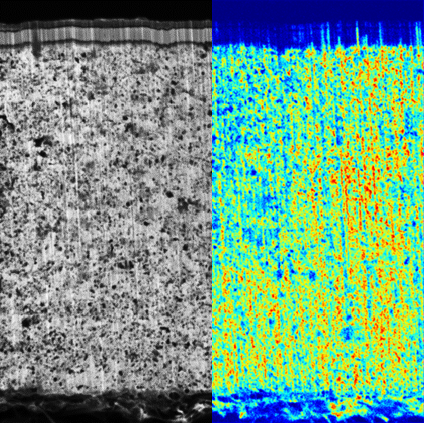
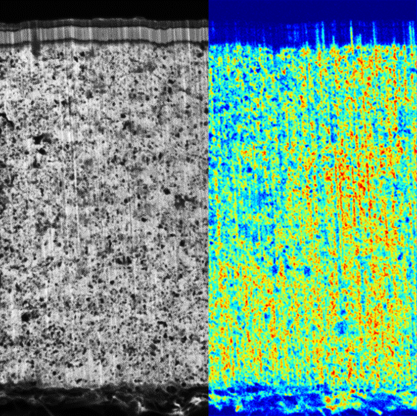
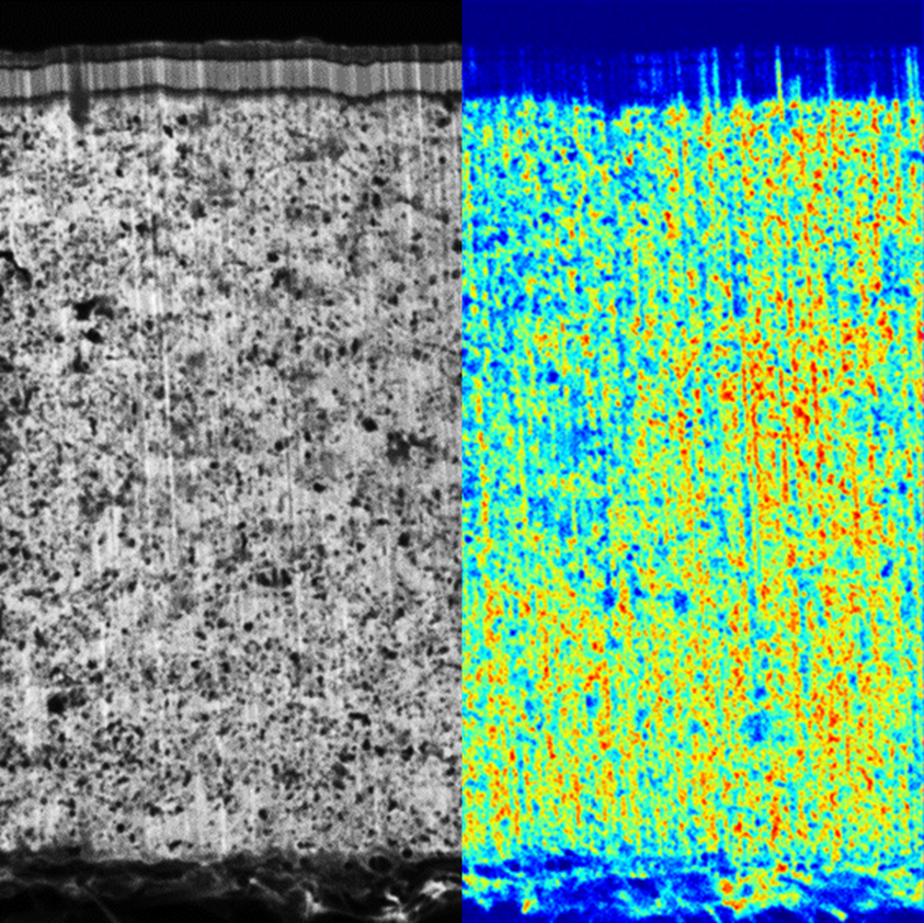
Tescan AMBER X 2
Tescan AMBER X combines high-resolution SEM imaging, FIB milling, and multimodal analysis tools — making it ideal for interface characterization in advanced energy storage materials.
- Plasma FIB for fast, clean sectioning of battery stacks
- Field-free SEM for low-kV, high-contrast surface imaging
- Integrated STEM and RSTEM modes for nanoscale lamella inspection






