WEBINAR | Correlated Microanalytical Workflows for Particle Analysis Using Automated Mineralogy, FIB-SEM and SIMS

Tescan CLARA for Batteries

CLARA hero image
CLARA hero image

Achieve nanoscale precision in imaging and analysis with Tescan CLARA, an ultra-high-resolution, field-free SEM. It is designed for advanced research on innovative battery materials as well as routine, automated quality control and failure analysis.

  • Support battery R&D by characterizing innovative materials, electrode interfaces, and SEI features using SEM, EDS, and integrated Raman spectroscopy.

  • Enhance battery cell quality by investigating active material and separator characteristics, and electrode material distribution using low-voltage SEM and energy-filtered BSE imaging.

  • Simplify QA/QC routines through intuitive microscope operation and automated imaging workflows.

  • Conduct failure analysis and enhance battery cell lifespan by evaluating particle degradation, delamination, and cracking using SEM and advanced analytics.

  • Protect delicate samples with inert gas transfer and cryo-ready workflows.

HOW TESCAN CLARA™ SUPPORTS YOUR BATTERY ANALYSIS

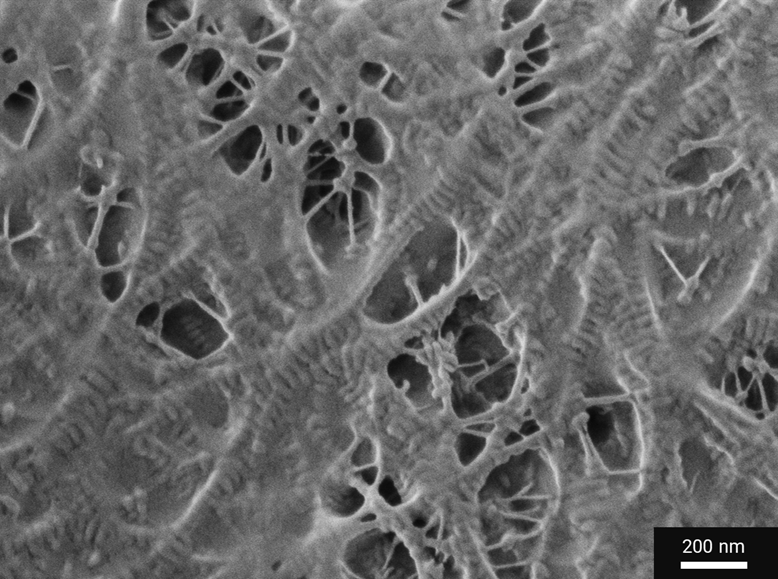
Capture Nanoscale Surface Detail with Confidence

Capture nanoscale surface detail with confidence. BrightBeam™ optics reveal the intricate features of battery materials with exceptional clarity and resolution.

Analyze Beam-Sensitive Materials Safely

Preserve the surface integrity of delicate separators and electrodes using high-resolution, low-voltage imaging and cryo-ready operation.

Visualize Battery Interfaces with High Compositional Sensitivity 

Enhance contrast at electrode interfaces and identify binder and conductive additive distribution across complex layers with three-angle or energy-filtered BSE detection.

Correlative Insights in a Single System

Reveal the full story of your battery materials with integrated EDS, EBSD, and Raman spectroscopy for a complete picture of composition, structure, and performance.

Simplify Your Workflow with Custom Automation

Streamline QA/QC and Failure Analysis routines using Essence™ Image Snapper, VisualCoder™ programming, and FIB-SEM Expert PI scripting for fast, reproducible, operator-independent results.

Protect Sensitive Samples During Transfer and Analysis

Protect air- and beam-sensitive battery materials with an inert gas transfer workflow and cryogenic conditions, ensuring safe, contamination-free handling and imaging.

BRIGHTBEAM™ TECHNOLOGY

FOR BATTERY MATERIALS IMAGING

BrightBeam™ technology in Tescan CLARA delivers exceptional beam stability and signal efficiency for ultra-high-resolution imaging at low accelerating voltages. This capability ensures consistent, high-quality imaging conditions for active material analysis, separator evaluation, electrode surface and cross-sectional mapping, interface studies, and SEI characterization across all stages of battery research, quality control, and failure analysis.

An optimized beam path and detector geometry improve signal-to-noise ratio and surface contrast, even below 1 kV. With its field-free column and In-Flight Beam Tracing®, BrightBeam™ maintains sharp, stable resolution while minimizing charging effects and drift.

TESCAN CLARA™

Specifications for Battery Research

Electron Optics & Imaging

Electron Source: High-brightness Schottky FEG

Electron Column: BrightBeam™ field-free UHR technology

In-Column Detection System: Energy-Filtered Multidetector, Axial

High Vacuum Resolution: 

  •  0.8 nm @ 30 keV (STEM detector) 

  • 0.9 nm @ 15 keV 

  • 1.3 nm @ 1 keV  

  • 1.2 nm @ 1 keV with Beam Deceleration Technology (BDT) 

  • 1.5 nm @ 500 eV 

Magnification Range: 1× to 2,000,000×

Vacuum System

High Vacuum Mode

Low Vacuum Mode (MultiVac) including N2 or H2O: Up to 500 Pa

Stage & Chamber

5-Axis Motorized Stage  (X, Y, Z, rotation, tilt)

Max Sample Size: 335 mm × 280 mm × 133 mm

Max Load Capacity: Up to 8 kg

Max Load Capacity: Up to 8 kg

Chamber view (IR) camera

Navigation & Protection 

Wide Field Optics® (SEM navigation from 1×)

Essence™ 3D Collision Model: Live chamber visualization and collision protection

Software & Automation 

Essence™ Software Interface: Customizable with multi-user support

Automated Beam Alignment Routines (e.g., autofocus, beam alignment)

Automatic Optimization of Beam Conditions: In-Flight Beam Tracing® technology 

VisualCoder™ and FIB-SEM Expert PI: Designed for tailored analytical workflows

Advanced Analytical Tools 

Energy-Dispersive X-ray Spectroscopy (EDS): Elemental analysis

Electron Backscatter Diffraction (EBSD): Crystal structure and orientation study

Raman Spectroscopy: Identifying chemical bonds, crystal structures, stress/strain states, and phase composition

Protection of Delicate Samples

Inert Gas Transfer System for Contamination-Free Sample Handling: Transfer of air- and moisture-sensitive samples between the glove box and external instruments

Cryo-Stage: Utilization of cryogenic conditions to protect sensitive samples during SEM imaging

Electron Optics & Imaging

Electron Source: High-brightness Schottky FEG

Electron Column: BrightBeam™ field-free UHR technology

In-Column Detection System: Energy-Filtered Multidetector, Axial

High Vacuum Resolution: 

  •  0.8 nm @ 30 keV (STEM detector) 

  • 0.9 nm @ 15 keV 

  • 1.3 nm @ 1 keV  

  • 1.2 nm @ 1 keV with Beam Deceleration Technology (BDT) 

  • 1.5 nm @ 500 eV 

Magnification Range: 1× to 2,000,000×

Vacuum System

High Vacuum Mode

Low Vacuum Mode (MultiVac) including N2 or H2O: Up to 500 Pa

Stage & Chamber

5-Axis Motorized Stage  (X, Y, Z, rotation, tilt)

Max Sample Size: 335 mm × 280 mm × 133 mm

Max Load Capacity: Up to 8 kg

Max Load Capacity: Up to 8 kg

Chamber view (IR) camera

Navigation & Protection 

Wide Field Optics® (SEM navigation from 1×)

Essence™ 3D Collision Model: Live chamber visualization and collision protection

Software & Automation 

Essence™ Software Interface: Customizable with multi-user support

Automated Beam Alignment Routines (e.g., autofocus, beam alignment)

Automatic Optimization of Beam Conditions: In-Flight Beam Tracing® technology 

VisualCoder™ and FIB-SEM Expert PI: Designed for tailored analytical workflows

Advanced Analytical Tools 

Energy-Dispersive X-ray Spectroscopy (EDS): Elemental analysis

Electron Backscatter Diffraction (EBSD): Crystal structure and orientation study

Raman Spectroscopy: Identifying chemical bonds, crystal structures, stress/strain states, and phase composition

Protection of Delicate Samples

Inert Gas Transfer System for Contamination-Free Sample Handling: Transfer of air- and moisture-sensitive samples between the glove box and external instruments

Cryo-Stage: Utilization of cryogenic conditions to protect sensitive samples during SEM imaging

CLARA GM Mat. Science

GET IN Touch

with specialist

map

Where can you find us:

Tescan
Libušina třída 21
623 00 Brno
Czech Republic

130405923 us US 37.09024 -95.712891 25.3575 29.349345 20.67957527 42.082797 39.91384763 -33.693421 13.93320106 3.039986586 31.997988 38.050985 47.579533 30.052597 48.1485965 58.375799 54.663142 19.195447 56.975106 47.916997 50.493053 45.868592 10.79556993 44.35660598 43.2371604 55.536415 14.557577179752773 32.100937 -6.116829 -6.212299277967318 33.600194 -12.08688 23.7104 -33.471062 31.998740087 -23.69149395 43.462349 51.529848 49.1893523 49.197486 25.072375 31.075811 1.299027 40.676979 52.30150662 51.013813 35.684121 37.566531 52.246622 40.581349 39.911632 -26.1811371 41.818215 33.429928

No distributors found.