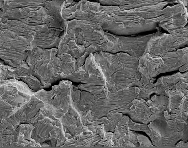
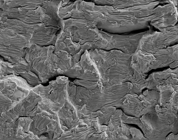
Tescan CLARA™
Engineered to reveal surface detail on even the most challenging samples.
-
Rough, fractured surfaces in full details with high depth of focus
-
Produces high-contrast SE images with nanometer resolution
-
Low-kV capable for clear imaging of surface details
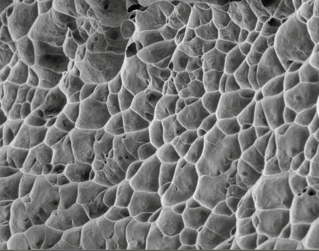
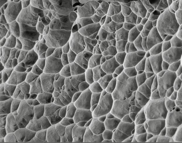
Wide Field™ Mode: Contextual Navigation Across the Sample
Overview imaging mode for full-sample observation, live navigation and seamless transition to high resolution.
-
Large area overview for live navigation
-
Image targeted features of interest without losing spatial reference
-
Especially useful for fracture surface analysis workflows





