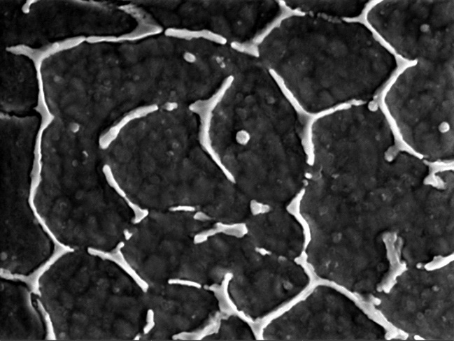
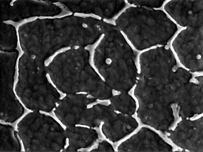
Tescan CLARA™
Combines sub-nanometer resolution with advanced analytics.
-
High-quality BSE contrast for phase discrimination
-
Low-kV imaging for detailed grain and substructure observation
-
Full EBSD and EDS compatibility for multimodal studies
-
Automated panoramic imaging for weld zone evaluation






